檢驗量測設備
汽車-冷卻系統-水箱風扇
冷鍛
CNC車床
CNC線切割加工機
搜尋結果
×
繁中
EN
Toggle navigation
聚晶鑽石刀具
分度盤,立橫兩用
碳化鎢材料
油壓缸
沖壓模具類
關於公司
新聞消息
產品介紹
電子型錄
影音
設備
聯絡公司
昌星企業有限公司
ETEK CHANG SING ENTERPRISE CO., LTD.
886-4-24370670
886-4-24373900
台中市北屯區軍福11路355號
www.etekcs.com.tw
產品介紹
昌星企業有限公司
產品介紹
伺服馬達、步進馬達編碼器
35H
軸心型編碼器
-ES32
-ES32-4
-ES32-A2
-ES38
-ES38-3F
-ES38-A7
-ES44-6
-ES50
-ES60-A
-ES80
-35S
中空型編碼器
-EH38-6/8
-EH44
-35H
-45H
CNC主軸編碼器
-68S
電梯編碼器
-35S
伺服馬達、步進馬達編碼器
-35H
-45H
-18S
-18M
米輪型編碼器
-EW
控制器
-CH-525
-CH-525L
-CHPC-535
通風過濾網
-F4
-F6
-F8
伺服馬達、步進馬達編碼器
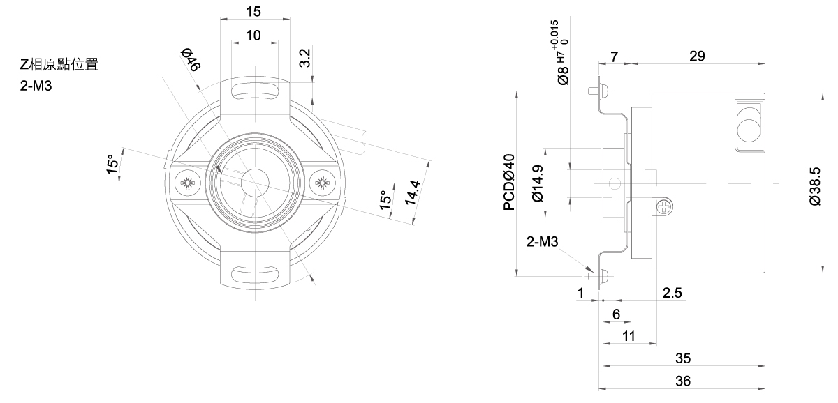
35H
外徑:38.5 mm
內孔直徑:6 / 8 mm
解析度:50 ~ 2500 P/R
防護等級:IP50
Contact Supplier
Add to Favorites
規格數據
模具
工具機
車輛
聯絡我們
瀏覽紀錄
Scroll Up