21YRS
LONG GER INDUSTRY CO., LTD.
Products
For Wood Working
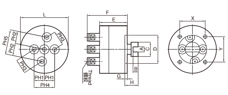
5-Spindle Boring Head
- Great drilling capacity for wood ø8 - ø 15 mm.
- Hold distance can be specified as per customer's requirements.
- The boring head accommodates high running speed up to 6000 RPM.
- Ideal for mass boring application for general furiture, assembly toys etc.
- Suited for fitting on general boring machines.
Specification



