汽車-冷卻系統-水箱風扇
CNC車床
鋸床
磁性座
自動送料設備
搜尋結果
×
繁中
EN
Toggle navigation
壓鑄機
鑽頭用彈性筒夾
剪床,油壓式
研磨器材
雙色塑膠射出模具
關於公司
新聞消息
產品介紹
電子型錄
影音
設備
聯絡公司
江岱電機行股份有限公司
CHIANG DAI ELECTRIC & MACHINERY CO., LTD.
886-4-26878068
886-4-26870478
台中市大甲區中山路一段745號
www.chiangdai.com.tw
產品介紹
江岱電機行股份有限公司
產品介紹
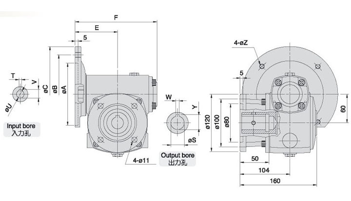
法蘭式蝸輪減速機
BM系列
無段變速機
GRV-H-齒輪減速機附變速
RCGH-卧式附無段變速
RCGV-立式附無段變速
RCHW-渦輪附無段變速
GRV-V-皮帶式附無段變速
WRV-H-皮帶式附無段變速
齒輪減速機
H-304-臥式減速機H(三段式)
V-304-立式減速機V(三段式)
HD-201-卧式雙軸HD(二段式)
VD-304-立式雙軸VD(三段式)
HB-201-插入式臥式HB(二段式)
VB-304-插入式立式VB(三段式)
LSH-406-臥式多速比多段LSH
法蘭式蝸輪減速機
ADG60-AG系列
AG50(BG50)-BG系列
AMW50-AM系列
AMW60-AM系列
ADW60-AD系列
ADW80-AD系列
BMW60-BM系列
法蘭式蝸輪減速機
BM系列
BMW60
Contact Supplier
Add to Favorites
規格數據
模具
工具機
車輛
聯絡我們
瀏覽紀錄
Scroll Up