德邦精機有限公司
TOSPO SEIKI CO., LTD.
886-4-23392083
886-4-23391421
台中市霧峰區中正路115-3號
www.tospo-edm.com

產品介紹

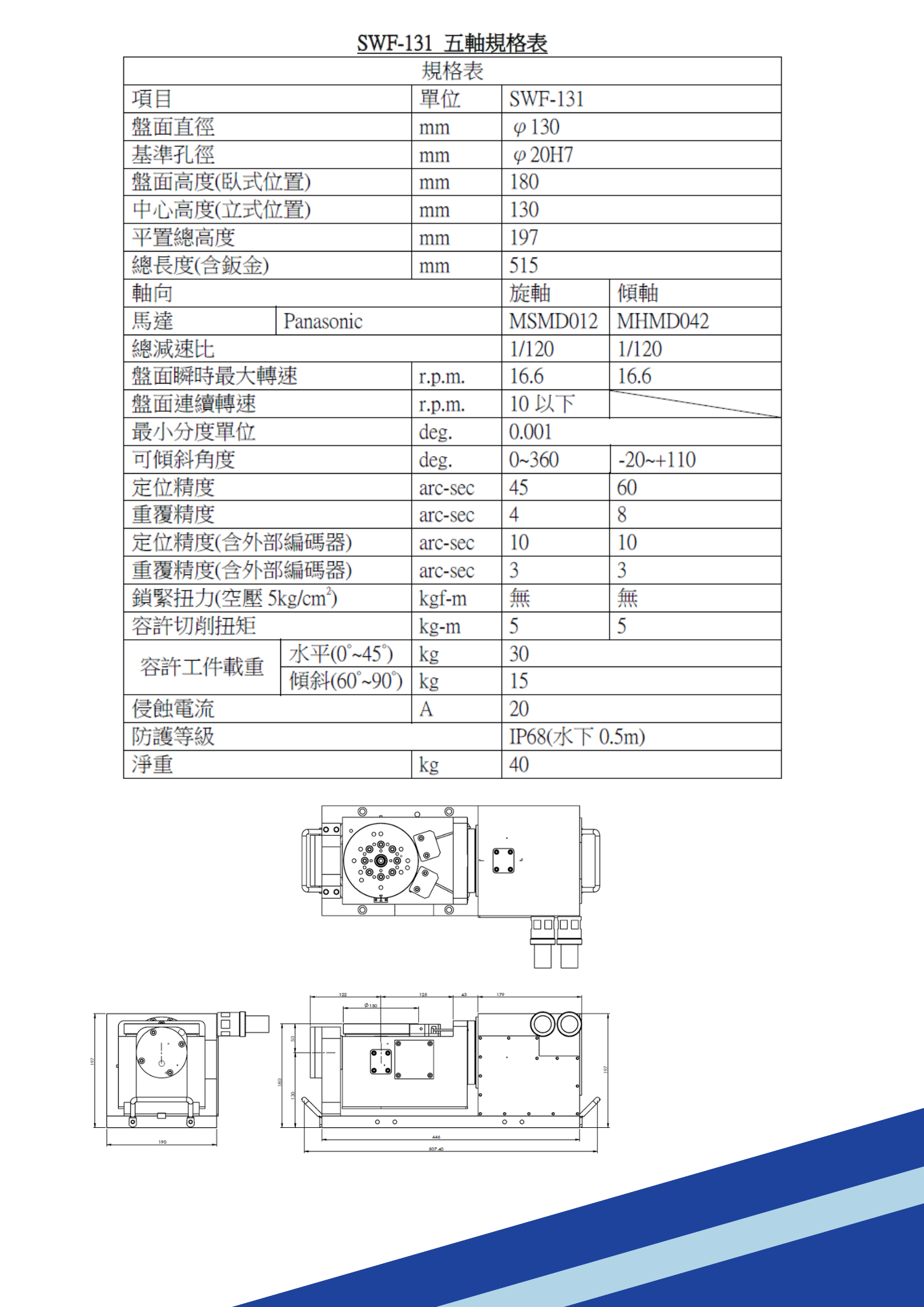
SWF-131 五軸/防水/浸水式
SWF-131第五軸
SWF-131

本設備支援第五軸功能,搭配防水與浸水式設計,
可應用於各型線切割機。第五軸提供更高自由度的工件定位與角度控制,
適合複雜形狀與多面加工需求。防水與浸水式結構能有效提升冷卻效率與切割穩定性,特別適用於高精度與特殊形狀工件的加工。

規格數據

模具
工具機
車輛
聯絡我們
瀏覽紀錄
Scroll Up