茂承油壓機械股份有限公司
MAW CHERNG HYDRAULIC MACHINERY CO., LTD.
MAW CHERNG HYDRAULIC MACHINERY CO., LTD.
產品介紹
油壓同步夾具
流量控制閥
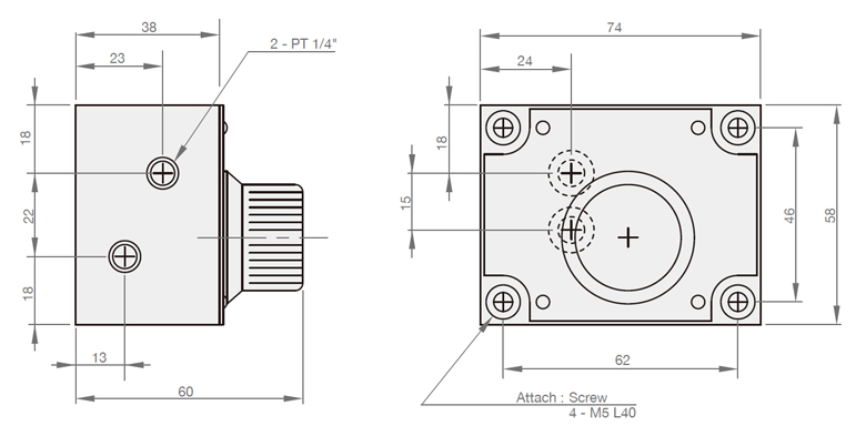
FKC-02
特點:
本系列產品整體磷酸鹽染黑處理,外表不會生鏽,調整部亦為180°。機械旋轉(L.R)型,開口為雙開口,選擇產品單純化。滾輪(C)型設計成滾珠方式,沒有複雜的外型,下方無吸氣孔,不怕因雜物而卡軸。
規格數據
規格:
| 型號 | 自由流量 (l/min) | 最高使用壓力 (kgf/cm²) | 調整範圍 (l/min) | 重量 (kg) |
| FKC-02 | 30 | 150 | 1, 2, 4, 8 | 1.2 |
* 一般使用的調整範圍為 4 l/min.
型號說明:
|




