3YRS
銳格精機股份有限公司
REGAL MACHINERY MFG. CO., LTD.
REGAL MACHINERY MFG. CO., LTD.
產品介紹
規格數據

- 產品規格
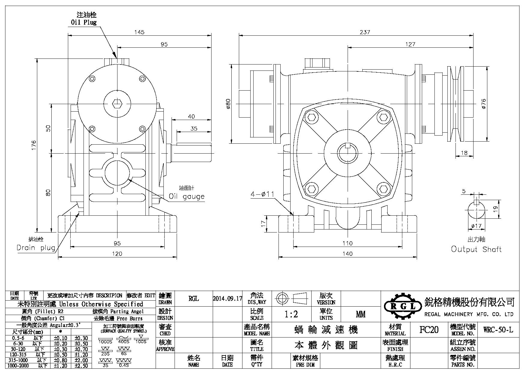
| 型號 | LL | L | L1 | NN | N | D1 | D2 | D | EE | E | II | I | G | A | B | K |
|---|---|---|---|---|---|---|---|---|---|---|---|---|---|---|---|---|
| 50 | 237 | 127 | 18 | 145 | 95 | 80 | 50 | 170 | 110 | 140 | 95 | 120 | 15 | 80 | 76 | 11 |
| 60 | 257 | 136 | 18 | 165 | 110 | 90 | 60 | 200 | 120 | 150 | 105 | 130 | 20 | 100 | 100 | 11 |
| 70 | 316 | 163 | 19 | 195 | 130 | 105 | 70 | 238 | 150 | 190 | 115 | 150 | 20 | 125 | 125 | 15 |
| 80 | 330 | 171 | 19 | 210 | 140 | 120 | 80 | 275 | 180 | 220 | 135 | 170 | 20 | 150 | 150 | 15 |
| 100 | 412 | 219 | 23 | 260 | 170 | 150 | 100 | 345 | 220 | 270 | 155 | 190 | 25 | 150 | 150 | 15 |
| 120 | 483 | 251 | 43 | 290 | 190 | 180 | 120 | 390 | 260 | 320 | 180 | 230 | 30 | 180 | 180 | 18 |
| 型號 | 馬力 | 出力軸 | 重量 | |||||
|---|---|---|---|---|---|---|---|---|
| 1/10~1/30 | 1/40~1/60 | O | P | M | Q | R | ||
| 50 | 1/4 | 1/8 | 40 | 35 | 17 | 5 | 19 | 9 |
| 60 | 1/2 | 1/4 | 50 | 45 | 22 | 7 | 25 | 11 |
| 70 | 1 | 1/2 | 60 | 55 | 28 | 7 | 31 | 17 |
| 80 | 2 | 1 | 65 | 60 | 32 | 10 | 35.5 | 24 |
| 100 | 3 | 2 | 75 | 70 | 38 | 10 | 41.5 | 47 |
| 120 | 5 | 3 | 85 | 80 | 45 | 12 | 48.5 | 68 |
註:以離合器為基準看方向
軸配置及旋轉方向


