研磨器材
聚晶鑽石刀具
油壓泵
磁性座
CNC線切割加工機
搜尋結果
×
繁中
EN
Toggle navigation
研磨器材
汽車-冷卻系統-水箱風扇
冷鍛
檢驗量測服務
塑膠模具類製造品
關於公司
新聞消息
產品介紹
電子型錄
影音
設備
聯絡公司
21
YRS
龍格工業有限公司
LONG GER INDUSTRY CO., LTD.
886-4-25723767
886-4-25723668
台中市石岡區石城街58-8號
www.longger.com.tw
產品介紹
龍格工業有限公司
產品介紹
木工鑽孔用
4軸調整鑽孔頭 (弧形排列型)
金屬鑽孔用
-2軸調整鑽孔頭
-3軸調整鑽孔頭 (直線排列式)
-3軸調整鑽孔頭 (弧形排列型)
-4軸調整鑽孔頭 (弧形排列型)
ER Collet-ER 套筒
-可調式 TM 柄筒夾
-ER 彈性筒夾
-六角筒夾
-ER-A 螺帽 (標準)
-ER-M 螺帽 (小徑螺帽)
複合刀頭 (數控機床)
-單軸
-雙軸
-加長型雙軸
-四軸
-其他類
-配件
-氣動式排鑽
客製化
-客製化產品說明 (木工鑽孔用 )
-客製化產品說明 (金屬鑽孔用 )
木工鑽孔用
-2軸調整鑽孔頭
-3軸調整鑽孔頭 (直線排列式)
-3軸調整鑽孔頭 (弧形排列型)
-4軸調整鑽孔頭 (弧形排列型)
-單用型絞鏈
-雙用型絞鏈
-5-Spindle Boring Head
-排鑽系列
-排鑽快速接頭
-固定座
木工鑽孔用
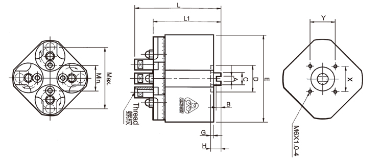
4軸調整鑽孔頭 (弧形排列型)
可調式軸承 : ø34 - ø206 mm。
木材最大鑽孔能力 : ø10 - ø 50 mm。
鑽孔頭可承受高速運轉達6000 RPM。
獨特的弧度原理。
採刻度尺可調整等四方型加工。
適合一般傢俱類、玩具組合系列。
可裝在一般鑽孔機使用。
Contact Supplier
Add to Favorites
規格數據
模具
工具機
車輛
聯絡我們
瀏覽紀錄
Scroll Up