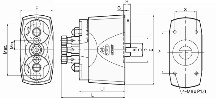
* 限用於調整等距直線加工使用 * 可調式軸承範圍 : 14 - 200 mm。 * 鑽孔能力 : ø1 - ø 14 mm。 * 主軸可正逆轉,適合鑽孔及攻牙 * 鑽孔頭可承受高速運轉達 6000 RPM。