自動化控制系統
雙色塑膠射出模具
研磨機與拋光機
CNC放電加工機
沖壓模具類
搜尋結果
×
繁中
EN
Toggle navigation
Z軸設定器
汽車零件類
氣壓缸
研磨器材
分度盤,立橫兩用
關於公司
新聞消息
產品介紹
電子型錄
影音
設備
聯絡公司
20
YRS
龍格工業有限公司
LONG GER INDUSTRY CO., LTD.
886-4-25723767
886-4-25723668
台中市石岡區石城街58-8號
www.longger.com.tw
產品介紹
龍格工業有限公司
產品介紹
金屬鑽孔用
2軸調整鑽孔頭
金屬鑽孔用
-2軸調整鑽孔頭
-3軸調整鑽孔頭 (直線排列式)
-3軸調整鑽孔頭 (弧形排列型)
-4軸調整鑽孔頭 (弧形排列型)
ER Collet-ER 套筒
-可調式 TM 柄筒夾
-ER 彈性筒夾
-六角筒夾
-ER-A 螺帽 (標準)
-ER-M 螺帽 (小徑螺帽)
複合刀頭 (數控機床)
-單軸
-雙軸
-加長型雙軸
-四軸
-其他類
-配件
-氣動式排鑽
客製化
-客製化產品說明 (木工鑽孔用 )
-客製化產品說明 (金屬鑽孔用 )
木工鑽孔用
-2軸調整鑽孔頭
-3軸調整鑽孔頭 (直線排列式)
-3軸調整鑽孔頭 (弧形排列型)
-4軸調整鑽孔頭 (弧形排列型)
-單用型絞鏈
-雙用型絞鏈
-5-Spindle Boring Head
-排鑽系列
-排鑽快速接頭
-固定座
金屬鑽孔用
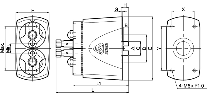
2軸調整鑽孔頭
* 可調式軸承範圍 : 14 - 164 mm。
* 鑽孔能力 : ø1 - ø 14 mm。
* 主軸可正逆轉,適合鑽孔及攻牙
* 鑽孔頭可承受高速運轉達 6000 RPM。
Contact Supplier
Add to Favorites
規格數據
模具
工具機
車輛
聯絡我們
瀏覽紀錄
Scroll Up