佳賀精機股份有限公司
AUTOGRIP MACHINERY CO., LTD.
AUTOGRIP MACHINERY CO., LTD.
產品介紹
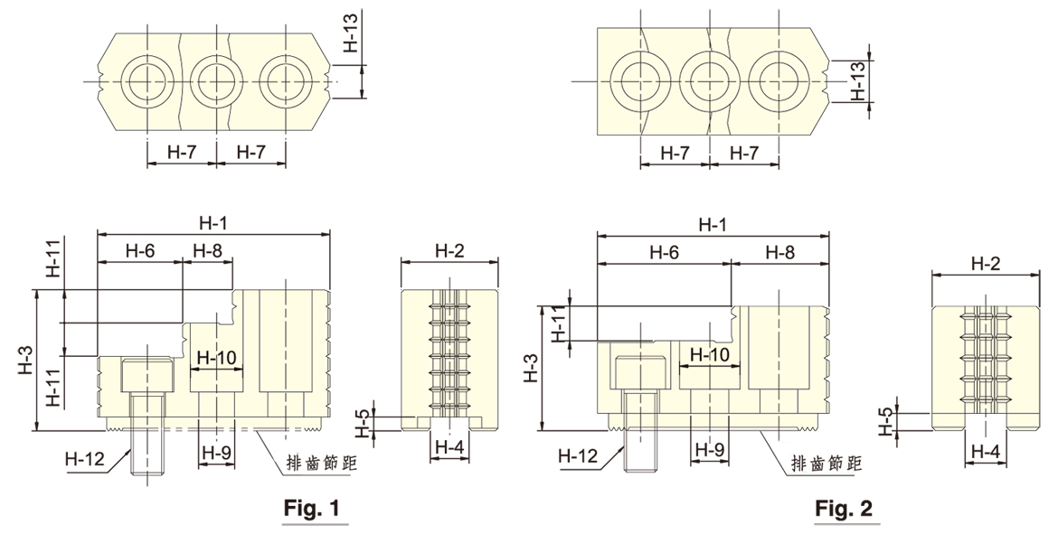
規格數據

| 型號 | H-1 | H-2 | H-3 | H-4 | H-5 | H-6 | H-7 | H-8 | H-9 | H-10 | H-11 | H-12 | H-13 | 排齒節距 | 適用夾頭 | 三爪重量 (kg) | 參考圖 |
|---|---|---|---|---|---|---|---|---|---|---|---|---|---|---|---|---|---|
| HJ-05 | 53 | 23 | 28 | 10 | 4 | 30 | 14 | 23 | 8.5 | 13.5 | 10 | M8 | 6 | 1.5×60° | 3H-204, 3H-205 | 1.0 | Fig.2 |
| HJ-06 | 67 | 31 | 36 | 12 | 5 | 38.5 | 20 | 28.5 | 11 | 17 | 12 | M10 | 10 | 1.5×60° | 3H-206, 3P-06 | 1.7 | Fig.2 |
| HJ-08 | 87 | 35 | 51 | 14 | 5 | 32 | 25 | 18 | 13 | 19 | 12 | M12 | 12 | 1.5×60° | 3H-208, 3P-08 | 2.0 | Fig.1 |
| HJ-10 | 102 | 40 | 54 | 16 | 5 | 39 | 30 | 23 | 13 | 19 | 13 | M12 | 16 | 1.5×60° | 3P-10,3H-210 | 3.0 | Fig.1 |
| HJ-12H | 103 | 50 | 52 | 21 | 5 | 62.5 | 30 | 40.5 | 17 | 25 | 17 | M16 | 30 | 1.5×60° | 3H-12, 3H-212, 3P-12 ,3V-12, 3P-12, 3M-12 | 3.5 | Fig.2 |
| HJ-12P | 103 | 50 | 52 | 18 | 5 | 62.5 | 30 | 40.5 | 15 | 22 | 17 | M14 | 30 | 1.5×60° | 3P-12 | 3.6 | Fig.2 |
| HJ-15H | 149 | 62 | 86 | 22 | 8 | 63 | 43 | 34 | 21 | 32 | 20 | M20 | 43 | 1.5×60° | 3H-15, 3H-215, 3H-18 | 9.6 | Fig.1 |
| HJ-15P | 149 | 62 | 86 | 25.5 | 6 | 63 | 43 | 34 | 21 | 32 | 20 | M20 | 43 | 1.5×60° | 3H-15, 3H-215, 3H-18,3P-215, 3P-218 | 9.5 | Fig.1 |
| HJ-21 | 159.5 | 80 | 90 | 25 | 9 | 104.5 | 50 | 55 | 21 | 32 | 40 | M20 | 55 | 3.0×60° | 3H-221, 3H-224, 3H-232 3P-221, 3P-224, 3V-21, 3V-32 |
14.3 | Fig.2 |

