沖壓加工
彎管機
鑽石車刀
研磨機與拋光機
機車-車架-後視鏡
搜尋結果
×
繁中
EN
Toggle navigation
CNC車床
汽車零件類
CNC放電加工機
電子產品類
汽車-冷卻系統-水箱風扇
關於公司
新聞消息
產品介紹
電子型錄
影音
設備
聯絡公司
20
YRS
總誠工業有限公司
TZOONG CHENG INDUSTRY CO., LTD.
886-2-29065489
886-2-29065479
新北市新莊區中正路544-14號
www.dma.com.tw
產品介紹
總誠工業有限公司
產品介紹
定位環
定位環
射梢
TD-1-SCM-21 日規
調節螺絲
TD21-調節螺絲
頂出套筒
TD6-直型頂出套筒
導套
TD8-A & B 型導套
扁梢
TD-13-扁梢
回位梢
TD-4-SUJ-2 回位梢
導柱
TD-5-導柱
定位鋼珠螺絲
TD-10-定位鋼珠螺絲
塑膠開閉器
TD-11-塑膠開閉器
彈簧
TD-12Y-YF輕小荷重模具彈簧
氮氣彈簧
TD-12N-0150-TSM
灌嘴
TD-14-灌嘴
定位環
TD2-I-定位環
停止梢
TD16-停止梢
成品梢
TD17-成品梢
圓型斜度定位梢
TD6-圓型斜度定位梢
輔助器
TD19-導柱輔助器
模具日期章
TD20-模具日期章
等高螺絲
TD21C-等高螺絲
小拉桿
TD21D-小拉桿-A型
可移動水柱塞
TD22-可移動柱塞
空壓頂出裝置
TD23-空壓頂出裝置(空氣梢)
排氣栓
TD24-排器梢
斜度電極銅板
TD25-斜度電極銅板
萬向滑座
TD26-萬向滑座
無給油耐磨板
TD27-無給油耐磨板
螺旋水套
TD28-螺旋水套
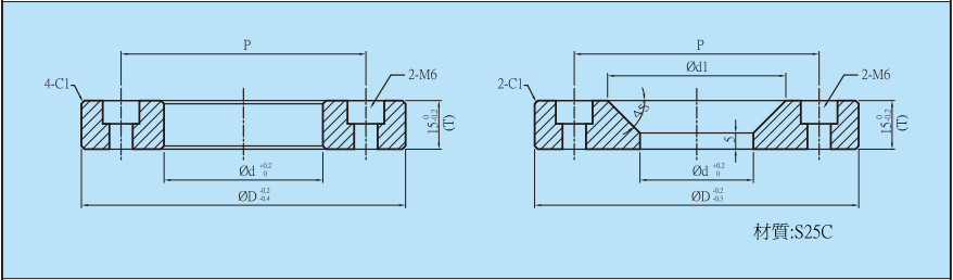
定位環
定位環
TD2-I
材質:S25C
Contact Supplier
Add to Favorites
規格數據
規格數據
模具
工具機
車輛
聯絡我們
瀏覽紀錄
Scroll Up