關於公司
    吳氏碳化鎢公司自德國引進KMD38碳化鎢鋼刀具素材,硬度HRA94N/mm2、抗折力TRS達4, 500N/mm2,以PCB鑽頭加工多層切削規格素材,推出1.2mm~1.5mm及4mm~32mm碳化鎢鋼大棒材,素提供業界在銑刀、球刀的研製應用,是目前全球唯一特有的碳化鎢鋼材。面對高硬度被切削材,除刀具素材必須具備高耐磨性外,在高速切削加工過程的素材高抗熱變形,以確保加工件的精度,特別是在精密小徑微細加工上,德製KMD38碳化鎢鋼刀具素材,經實際加工測試,在高硬度、耐磨性、抗折力及抗熱變形上均保有相對的高穩定度。精密模具的「清角」加工品質,關鍵就在刀具,刀具在長時間做高速切削時產生熱變形,刀具材不易保有原來硬度與耐磨性,過去從事小徑球面微細加工時,不僅須時常量尺寸、必要時須更換新刀具外,更影響模具加工前後精度的一致性。
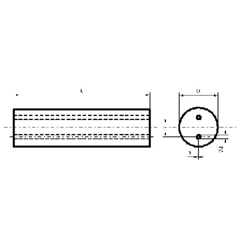
鎢鋼素材攸關製作切削刀具品質優劣,國內工具機產值高應用更廣,相對的切削刀具品質就更顯得重要,金屬在高速加工中會產生高溫,隨之而來的熱變形、抗折度及耐磨度再再影響加工精度,德製KMD38碳化鎢鋼刀具素材的研發是來自客戶端的需求,該素材除提供高科技產業應用外,並研製大尺寸棒材,堪稱以印刷電路板(PCB)碳化鎢鋼鑽頭材料規格,提供各種金屬加工業應用。 值得一提,切削退屑問題亦影響加工件的品質與精度,採用碳化鎢鋼無孔、直孔、螺旋孔等空心素材所製成的高精密碳化鎢刀具,可有效解決切削刀具高溫磨耗及切削退屑問題。
因應印刷電路板(PCB)、CNC工具機高速切削的發展,業者如何選擇合適的切削刀具品質與價格是刀具產業最重要的考量,刀具產品的價格不一,但也是品質的良窳是關鍵所在,隨著高科技的快速發展及金屬加工高速切削及複合加工,除高階設備製程外,在高度競爭的產業中,誰能掌握尖端刀具素材應用關鍵,就能夠在各式戴具製程中勝出。
http://www.wu-carbide.com  
 
  
  
    
      
    
      
    
    
  
      
  
  
    
  
  
  
  
  
  Follow Us
  
    吳氏碳化鎢股份有限公司
      WU CARBIDE CORPORATION
     886-4-23553389
 886-4-23553389
     886-4-23553359
 886-4-23553359
     台中市西屯區安和西路77號
 台中市西屯區安和西路77號
     www.wu-carbide.com
 www.wu-carbide.com
        聯絡我們
